
MIL-DTL-83517A
APPENDIX
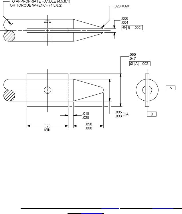
FIGURE A-11. SMA test tool for center contact retention (see 4.5.8 ), (for axial force see 4.5.8.1 and
torque see 4.5.8.2).
41
For Parts Inquires submit RFQ to Parts Hangar, Inc.
© Copyright 2015 Integrated Publishing, Inc.
A Service Disabled Veteran Owned Small Business