
MIL-DTL-83538D
mm
Inches
mm
Inches
0.000
0.0000
0.127
0.005
0.076
0.00030
6.35
0.250
0.051
0.0020
A
E
C
B
G
dia
dia
dia
Contact
+0.0051
+0.0127
+0.0000
+0.0000
+0.0051
size
(.00050)
(.00000)
(.00020)
(.00020)
(.00000)
-0.0000
-0.0000
-0.0000
-0.0051
-0.0051
(.00000)
(.00000)
(.00020)
(.00020)
(.00000)
20
14.86 (.585)
1.955
(.0770)
2.311
(.0910)
0.838
(.0330)
1.788
(.0704)
16
14.86 (.585)
2.845
(.1120)
3.226
(.1270)
0.838
(.0330)
2.616
(.1030)
12
14.86 (.585)
4.064
(.1600)
4.547
(.1790)
0.838
(.0330)
3.835
(.1510)
8
14.986 (.590)
7.290
(.2870)
7.899
(.3110)
0.838
(.0330)
7.010
(.2760)
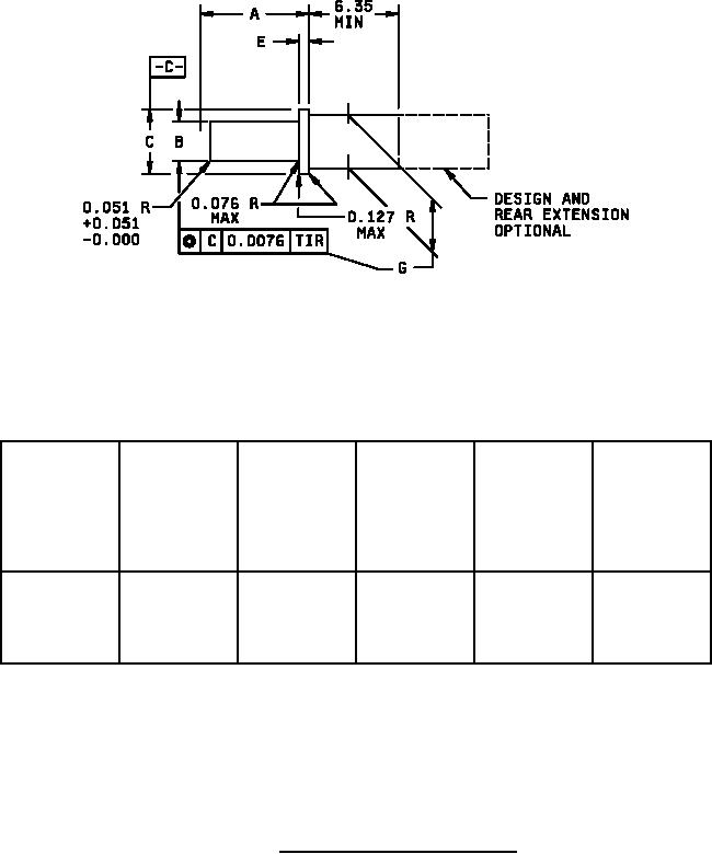
NOTES:
1. Dimensions are in millimeters.
2. Inch equivalents are given for information only.
3. Material: Hardened tool steel.
4. Finish: 32 microinches polished.
5. Use store receptacle and launcher receptacle MIL-DTL-83538/1 and MIL-DTL-83538/4.
FIGURE 4. Test gauge, socket, and location.
48
For Parts Inquires submit RFQ to Parts Hangar, Inc.
© Copyright 2015 Integrated Publishing, Inc.
A Service Disabled Veteran Owned Small Business