
MIL-DTL-83538D
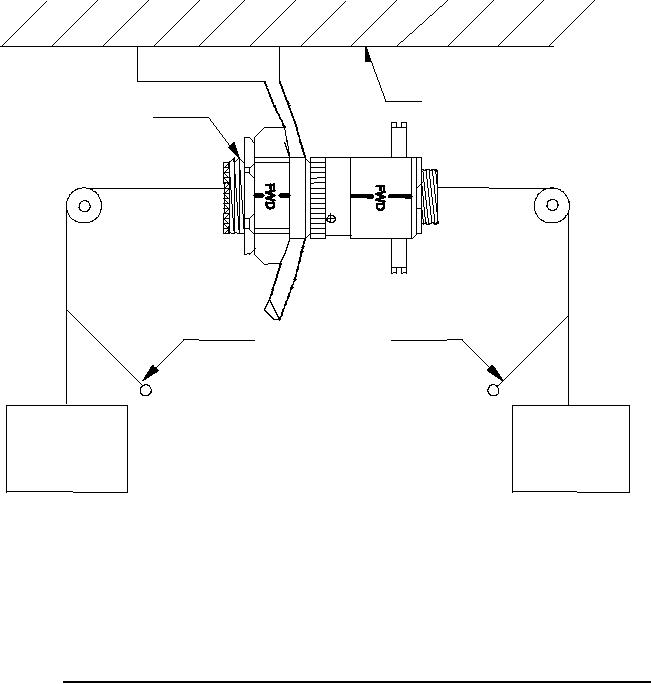
RIGID MOUNTING STRUCTURE
MATED CONNECTORS
CONTINUITY LEADS
WEIGHT
WEIGHT
FIGURE 6. Typical fixturing for high temperature exposure with contact loading (orientation optional).
50
For Parts Inquires submit RFQ to Parts Hangar, Inc.
© Copyright 2015 Integrated Publishing, Inc.
A Service Disabled Veteran Owned Small Business