
MIL-DTL-83538D
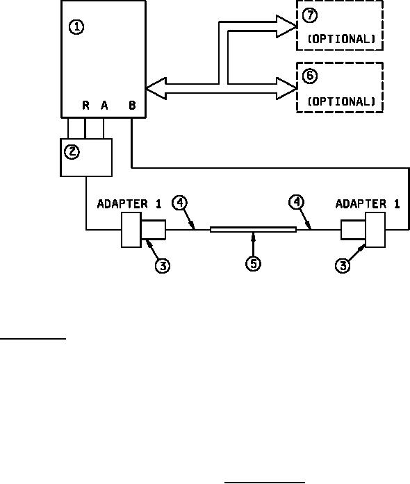
Equipment list
1.
Vector network analyzer (HP8753A {OPT 010} or equivalent).
2.
Transmission/reflection test set (HP85044A or equivalent).
3.
Adapters.
4.
M17/113-RG316 cable or JN1088 cable.
5.
Mated contact pair (contact under test).
6.
X-Y plotter.
7.
Test controller (computer).
FIGURE 12. VSWR test setup.
59
For Parts Inquires submit RFQ to Parts Hangar, Inc.
© Copyright 2015 Integrated Publishing, Inc.
A Service Disabled Veteran Owned Small Business