
MIL-PRF-31031B
4.6.12 Connector durability (see 3.15). Each connector under test shall be mated within typical
production connector per this specification. The connector shall be subjected to the number of cycles of
mating and unmating specified (see 3.1). The connector and its mating part shall be completely engaged
and completely disengaged during this cycle. Lubrication of the threads or rotational parts shall not be
employed for this test unless specified (see 3.1). It is permissible to shake or blow debris from the
threads or interface surfaces at intervals of not less than 50 cycles. Solvents or tools shall not be used
for cleaning.
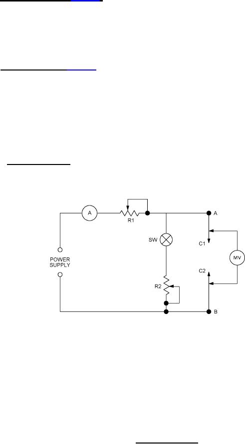
4.6.13 Contact resistance (see 3.16). All contact resistance tests shall be conducted with the
apparatus shown on figure 2. Circuit adjustments and the measurement procedure for all contact
resistance tests shall be in accordance with 4.6.13.1. The contact resistance points to be measured are:
a. The contact resistance between the cable braid or outer conductor and the connector at the point
of contact.
b. The contact resistance of the mated outer conductor contacts.
c. The contact resistance of the mated inner conductor contacts.
4.6.13.1 General procedure. The apparatus shall be assembled as shown on figure 2. The contacts
Cl - C2 shown on the figure represent the mating contacts upon which millivoIt drop tests are to be
conducted.
Procedure:
a.
Remove contacts C1 -C2 from the measuring circuit.
b.
Close switch SW.
c.
Adjust R2 for a millivoltmeter (mVm) reading of 50 millivolts.
d.
Connect contacts C1 -C2 to the measuring circuit and mate.
e.
Check to see that the mVm drops significantly prior to opening switch in step "f".
f.
Open switch SW.
g.
Adjust R1 for a circuit current (A) of one ampere.
h.
Measure the millivolt drop across contacts C1 - C2 and call this "e".
Compute contact resistance. Contact resistance (milliohms) = e millivolts ÷ one ampere.
i.
FIGURE 2. Contact resistance.
24
For Parts Inquires submit RFQ to Parts Hangar, Inc.
© Copyright 2015 Integrated Publishing, Inc.
A Service Disabled Veteran Owned Small Business