
MIL-PRF-31031B
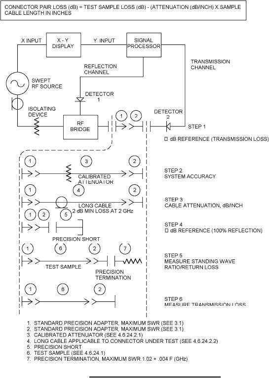
Steps 4 and 5 are performed with input to the signal processor from detector 1 through the reflection
channel.
RF transmission loss for the connector under test and its mate is calculated from the test sample loss
measure in step 6, the physical length of cable in the test sample, and the attenuation of the long cable
determined from step 3, as follows:
FIGURE 5. RF transmission loss measuring system.
30
For Parts Inquires submit RFQ to Parts Hangar, Inc.
© Copyright 2015 Integrated Publishing, Inc.
A Service Disabled Veteran Owned Small Business