
MIL-PRF-55339C
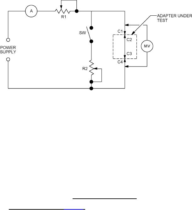
a.
Remove contacts C2 C3 from the measuring circuit.
b.
Close switch (SW).
c.
Adjust resistor (R2) for a voltmeter (VM) reading of 50 millivolts.
d.
Connect contacts C2 C3 to the measuring circuit.
e.
Check to see that the voltage drops significantly prior to opening the switch in (f).
f.
Open switch (SW).
g.
Adjust resistor (R1) for a circuit current of 1 ampere.
h.
Measure the voltage drop across contacts C1 C4 and call this "e".
i.
Compute contact resistance as follows:
Contact resistance (milliohms) = e (in millivolts) ÷1 ampere.
A Ammeter (0-1 ampere)
R1 Variable resistor (0-15 ohms).
Sw Switch (contact resistance <.01 ohm).
R2 Variable resistor (0-0.1 ohm)
Vm Voltmeter.
Power supply DC 10 volts at 1 ampere.
FIGURE 6. Diagram for contact resistance.
4.5.15 Vibration, high frequency (see 3.18 ). The mated adapter shall be tested in accordance with
method 204 of MIL-STD-202. The following details and exceptions shall apply: Contacts may be
connected in series.
a. Mating connector Cabled connector in accordance with MIL-PRF-39012.
b. Mounting of specimens The adapter shall be mounted by its normal mounting device and
engaged by its normal coupling mechanism; safety wire shall not be used. Adapters having
no provisions for mounting may be held to the jig (see figure 7) by a suitable clamp.
c. Electrical load At least 100 milliamperes shall be flowing through each set of contacts.
d. Test condition B.
e. Measurements During vibration, continuity of the center and outer contacts shall be
monitored with a detector capable of detecting interruptions of 1 microsecond or greater
duration.
22
For Parts Inquires submit RFQ to Parts Hangar, Inc.
© Copyright 2015 Integrated Publishing, Inc.
A Service Disabled Veteran Owned Small Business