
MIL-PRF-55339C
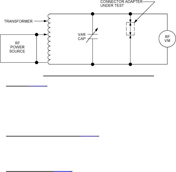
FIGURE 9. Circuit diagram for RF high potential withstanding voltage.
MIL-STD-202. The following details and exceptions shall apply:
a. Test condition letter: B.
b. Salt solution: 5 percent.
After exposure, adapters shall be washed, shaken and lightly brushed as specified in method 101
of MIL-STD-202 and then permitted to dry for 24 hours at 40ºC. Adapters shall then be examined
for evidence of corrosion, pitting, and ease of coupling.
4.5.22 Coupling mechanism retention forces (see 3.25). The adapter body and coupling
mechanism shall be respectively secured to the lower and upper jaws of a tensile tester in an
appropriate manner. A tensile load shall be applied at a rate of approximately 100 pounds/minute up
to the force as specified and held at that value for one minute (see 3.1). During the one minute of
steadily applied force, the coupling mechanism shall be rotated with respect to the adapter body, two
full revolutions in each direction.
4.5.23 Safety wire hole pullout (see 3.28). A single strand of safety wire shall be looped through the
safety wire hole and secured to itself. Forces of 15 pounds (67 Newtons) minimum shall be applied
to the safety wire pulling away from the adapter. One pull shall be parallel to the adapter axis and
one pull perpendicular to the adapter axis (see figure 10). The safety wire shall be corrosion resistant
steel .020 inch diameter (24 gauge) or .015 inch diameter, (27 gauge). This test is to be conducted
under static conditions. All holes are to be tested individually.
26
For Parts Inquires submit RFQ to Parts Hangar, Inc.
© Copyright 2015 Integrated Publishing, Inc.
A Service Disabled Veteran Owned Small Business