emilspec
An Integrated Publishing, Inc. Site
eMilSpec
An Integrated Publishing Website
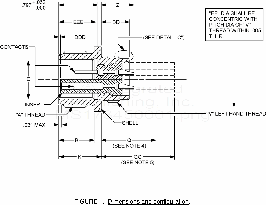
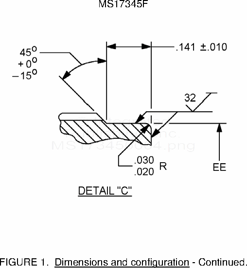
Connector, Plug, Electrical, Cable Connecting, Female
For Parts Inquires submit RFQ to
Parts Hangar, Inc.
© Copyright 2015 Integrated Publishing, Inc.
A Service Disabled Veteran Owned Small Business