emilspec
An Integrated Publishing, Inc. Site
eMilSpec
An Integrated Publishing Website
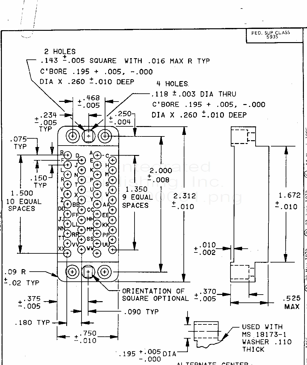
MS18180 Insert (Insulator), Rectangular Connector, Electrical, 42, (Size 16 And 20 Crimp Removable) Pin Contacts (S/S By Mil-Dtl-28748/3)
For Parts Inquires submit RFQ to
Parts Hangar, Inc.
© Copyright 2015 Integrated Publishing, Inc.
A Service Disabled Veteran Owned Small Business