emilspec
An Integrated Publishing, Inc. Site
eMilSpec
An Integrated Publishing Website
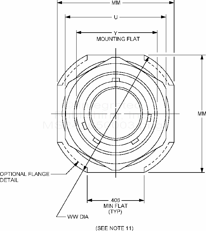
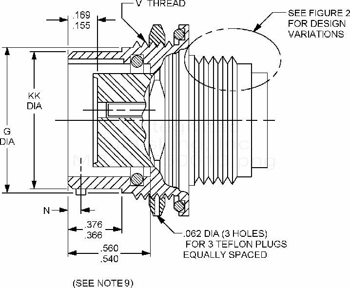
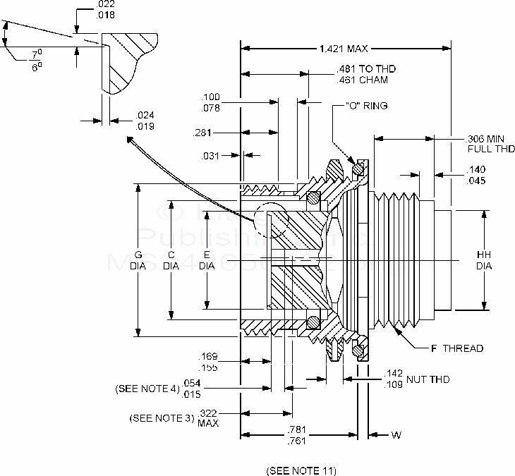
MS24265 Connectors, Receptacle, Electrical, Single Hole Mount, Miniature, Classes E, F, G, H And R
For Parts Inquires submit RFQ to
Parts Hangar, Inc.
© Copyright 2015 Integrated Publishing, Inc.
A Service Disabled Veteran Owned Small Business