emilspec
An Integrated Publishing, Inc. Site
eMilSpec
An Integrated Publishing Website
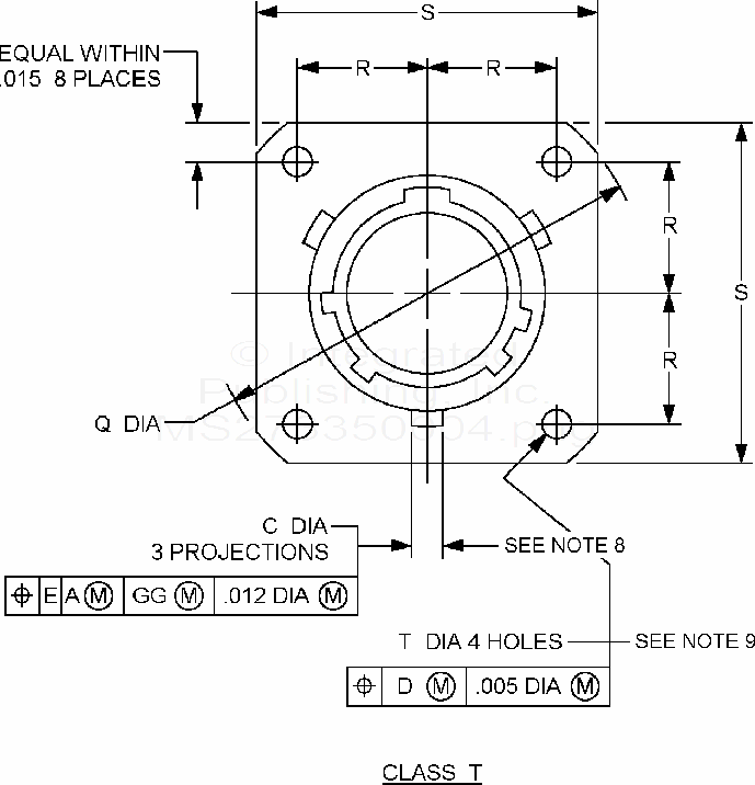
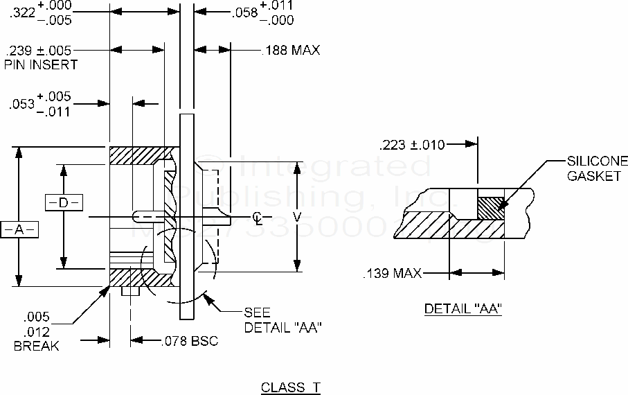
MS27335 Connectors, Receptacle, Electrical, Box, Flange Mount, Solder Type, Bayonet Coupling, Class T, Series Ii
For Parts Inquires submit RFQ to
Parts Hangar, Inc.
© Copyright 2015 Integrated Publishing, Inc.
A Service Disabled Veteran Owned Small Business