emilspec
An Integrated Publishing, Inc. Site
eMilSpec
An Integrated Publishing Website
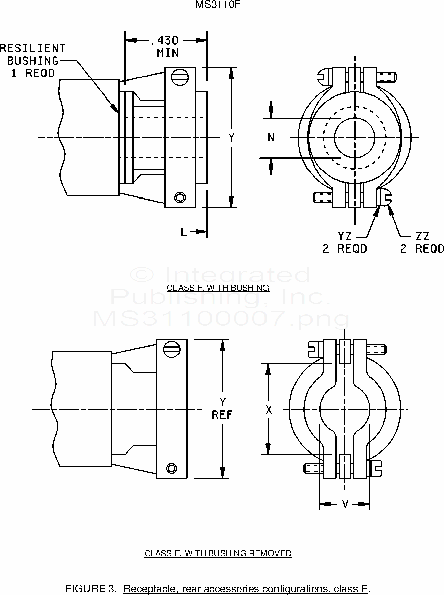
MS3110 Connectors, Receptacle, Electrical, Solder Type, Wall Mounting, Bayonet Coupling, Series 1, Classes E, F, J And P
For Parts Inquires submit RFQ to
Parts Hangar, Inc.
© Copyright 2015 Integrated Publishing, Inc.
A Service Disabled Veteran Owned Small Business