emilspec
An Integrated Publishing, Inc. Site
eMilSpec
An Integrated Publishing Website
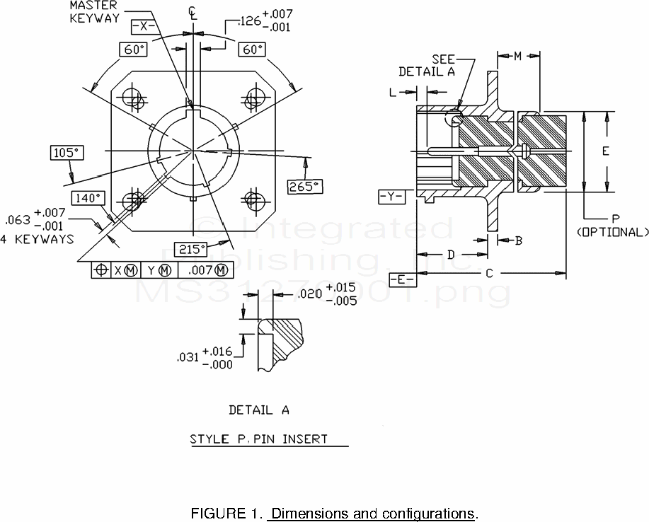
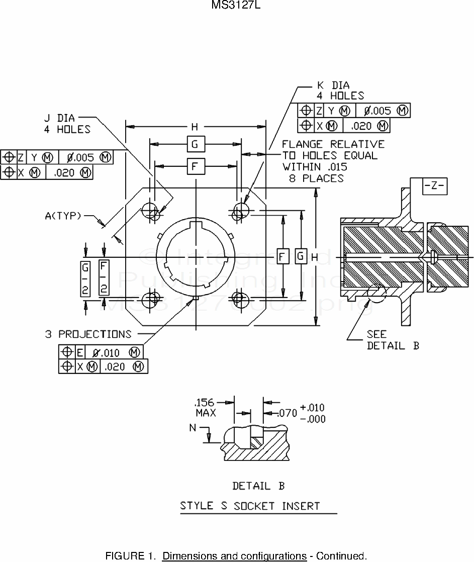
MS3127 Connectors, Receptacle, Electrical, Series 1, Crimp Type, Box Mounting, Flange, No. 4/6 Holes, Bayonet Coupling, Class E
For Parts Inquires submit RFQ to
Parts Hangar, Inc.
© Copyright 2015 Integrated Publishing, Inc.
A Service Disabled Veteran Owned Small Business