emilspec
An Integrated Publishing, Inc. Site
eMilSpec
An Integrated Publishing Website
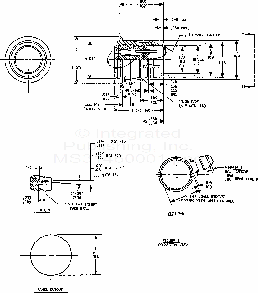
MS3146 Connector, Receptacle, Electric, Hermetic, Crimp Type, Solder Mounting, Push Pull Coupling, Series 3 (Class N) (S/S By Sae-As31461)
For Parts Inquires submit RFQ to
Parts Hangar, Inc.
© Copyright 2015 Integrated Publishing, Inc.
A Service Disabled Veteran Owned Small Business