emilspec
An Integrated Publishing, Inc. Site
eMilSpec
An Integrated Publishing Website
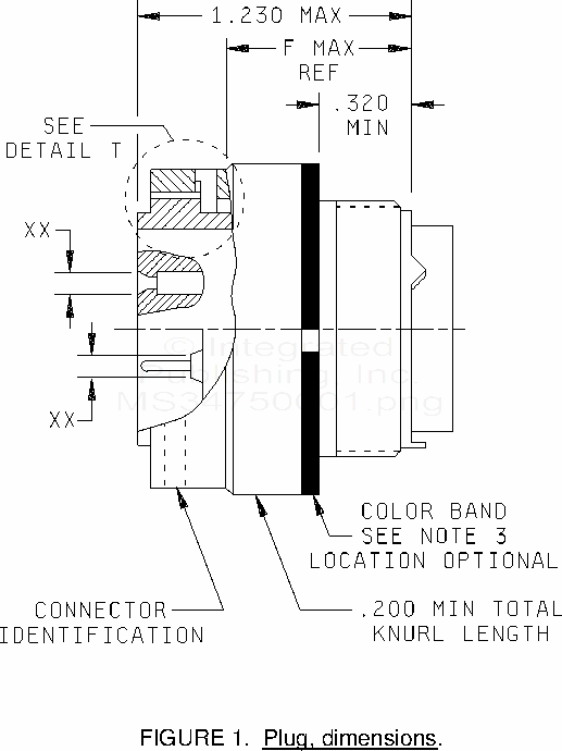
MS3475 Connectors, Plug, Electrical, Rfi Shielded, Series 2, Crimp Type, Bayonet Coupling, Classes D, L, T, W And Z
For Parts Inquires submit RFQ to
Parts Hangar, Inc.
© Copyright 2015 Integrated Publishing, Inc.
A Service Disabled Veteran Owned Small Business