emilspec
An Integrated Publishing, Inc. Site
eMilSpec
An Integrated Publishing Website
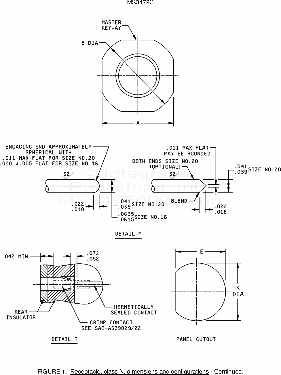
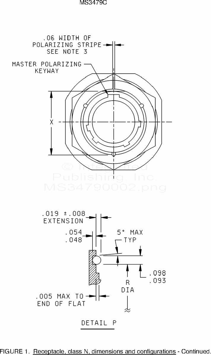
MS3479 Connectors, Receptacle, Electrical, Series Ii, Hermetic, Solderless, Rear Mounting, Jam Nut, Bayonet Coupling, Class N
For Parts Inquires submit RFQ to
Parts Hangar, Inc.
© Copyright 2015 Integrated Publishing, Inc.
A Service Disabled Veteran Owned Small Business