
INCH-POUND
MIL-DTL-12520/11B
31 March 2005
SUPERSEDING
MIL-C-12520/11A (EL)
5 November 1965
DETAIL SPECIFICATION SHEET
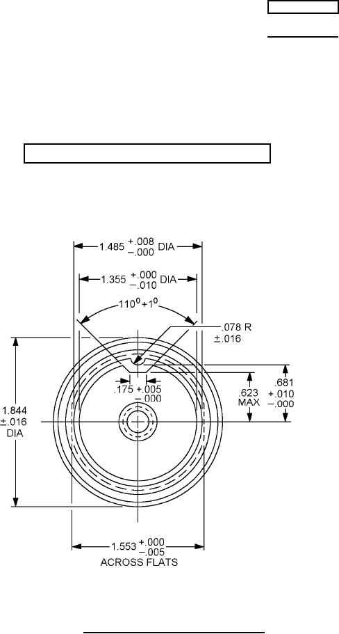
CONNECTORS, RECEPTACLE, ELECTRICAL WATERPROOF
(SHELL SIZE 26, FEMALE INSERTS)
Inactive for new design after 24 June 1999.
This specification is approved for use by all
Departments and Agencies of the Department of Defense.
The requirements for acquiring the product described herein shall consist of this specification sheet and
MIL-DTL-12520.
FIGURE 1. Receptacle shell and insert dimensions.
AMSC N/A
FSC 5935
For Parts Inquires submit RFQ to Parts Hangar, Inc.
© Copyright 2015 Integrated Publishing, Inc.
A Service Disabled Veteran Owned Small Business