
INCH-POUND
MIL-DTL-12883/1F
18 February 2003
SUPERSEDING
MIL-PRF-12883/1E
28 June 1996
DETAIL SPECIFICATION SHEET
SOCKETS AND ACCESSORIES FOR PLUG-IN ELECTRONIC COMPONENTS
(ELECTRON TUBE, BOTTOM MOUNTING, SADDLE TYPE 8 CONTACT, RADIAL)
This specification is approved for use by all Departments and Agencies of the Department of Defense.
The requirements for acquiring the product described herein shall
consist of this specification and MIL-DTL-12883.
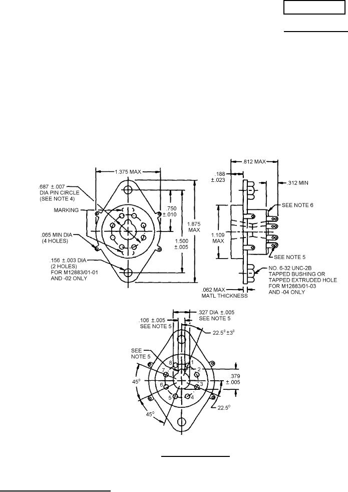
FIGURE 1. Socket configuration.
AMSC N/A
1 of 7
FSC 5935
DISTRIBUTION STATEMENT A. Approved for public release; distribution is unlimited
For Parts Inquires submit RFQ to Parts Hangar, Inc.
© Copyright 2015 Integrated Publishing, Inc.
A Service Disabled Veteran Owned Small Business