
INCH-POUND
MIL-DTL-12883/3E
18 February 2003
SUPERSEDING
MIL-PRF-12883/3D
28 June 1996
DETAIL SPECIFICATION SHEET
SOCKETS AND ACCESSORIES FOR PLUG-IN ELECTRONIC COMPONENTS
(ELECTRON TUBE, TOP MOUNTING, SADDLE TYPE WITH SHIELD BASE, 9 CONTACT, RADIAL)
Inactive for new design after 11 July 1968. For new design use MIL-DTL-12883/11
This specification is approved for use by all Departments and Agencies of the Department of Defense.
The requirements for acquiring the product described
herein shall consist of this specification and MIL-DTL-12883.
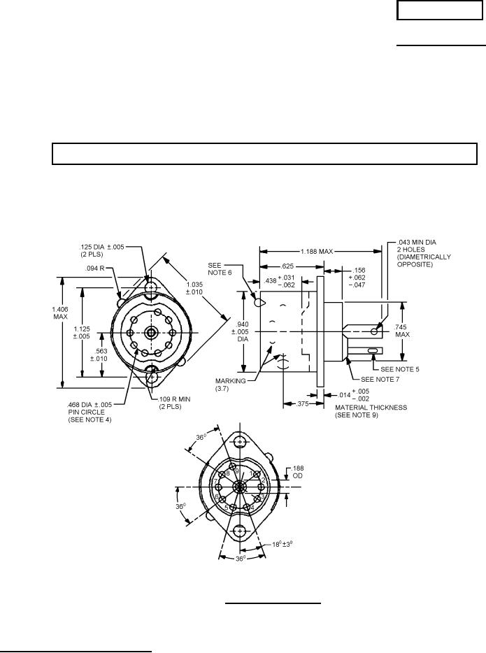
FIGURE 1. Socket configuration.
AMSC N/A
1 of 7
FSC 5935
DISTRIBUTION STATEMENT A. Approved for public release; distribution is unlimited.
For Parts Inquires submit RFQ to Parts Hangar, Inc.
© Copyright 2015 Integrated Publishing, Inc.
A Service Disabled Veteran Owned Small Business