
MIL-DTL-12883/46D
(-01, -02, -03, and 04)
Inches
mm
Inches
mm
Inches
mm
Inches
mm
14.48
5.84
.570
2.16
.230
0.03
.085
.001
16.64
.655
6.35
.250
2.24
0.05
.088
.002
16.89
.665
7.11
.280
2.3
.09
0.13
.005
17.65
.695
7.37
.290
2.36
.093
0.38
.015
19.30
.760
7.62
.300
2.54
.100
0.94
.037
19.56
.770
8.76
.345
2.84
.112
1.3
.05
20.1
.79
10.16
.400
2.92
.115
1.27
.050
20.3
.80
11.68
.460
4.17
.164
1.57
.062
27.31
1.075
12.45
.490
.187
4.75
.063
1.60
36.50
1.437
12.70
.500
.200
5.08
.08
2.0
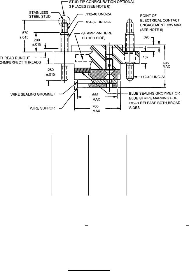
NOTES:
1. Dimensions are in inches.
2. Metric equivalents are given for general information only.
3. Unless otherwise specified, tolerances are + .005 inch (0.13 mm) for three place decimals and +
.01 inch (0.25 mm) for two place decimals).
4. Marking shall be characters that are molded 0.35 inch (0.89 mm) minimum. Ink marking optional
(see MIL-STD-1285).
5. Point of electrical contact engagement from mating face of socket insulator to the socket contact.
6. The configuration of the stud tip shall be optional provided it meets all the requirements of the
specification.
FIGURE 3. Socket configurations Continued.
3