
INCH-POUND
MIL-DTL-12883/49B
18 February 2003
SUPERSEDING
MIL-PRF-12883/49A
28 June 1996
DETAIL SPECIFICATION SHEET
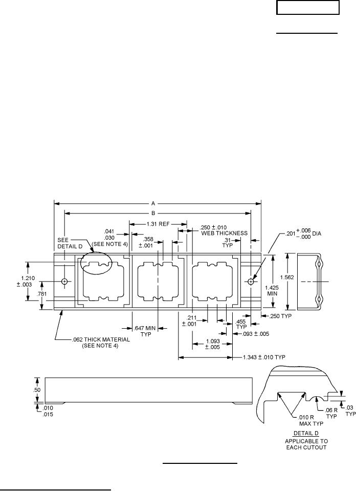
SOCKETS AND ACCESSORIES FOR PLUG-IN ELECTRONIC COMPONENTS, MOUNTING TRACKS
FOR RELAYS, 10 AMPERES
(MIL-PRF-6106, MIL-PRF- 83536, AND MIL-PRF-83726)
This specification is approved for use by all Departments
and Agencies of the Department of Defense.
The requirements for acquiring the product described herein
shall consist of this specification and MIL-DTL-12883.
FIGURE 1. Outline configurations.
AMSC N/A
1 of 4
FSC 5935
DISTRIBUTION STATEMENT A. Approved for public release; distribution is unlimited.