
INCH-POUND
MIL-DTL-12883/54A
18 February 2003
SUPERSEDING
MIL-PRF-12883/54
24 January 1996
DETAIL SPECIFICATION SHEET
SOCKETS, PLUG-IN ELECTRONIC COMPONENTS SOCKET
FOR MIL-PRF 6106 RELAYS AND MS27742 RELAYS
This specification is approved for use by all Departments and Agencies of the Department of Defense.
The requirements for acquiring the product described
herein shall consist of this specification and MIL-DTL-12883.
(-01)
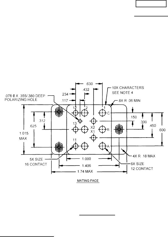
FIGURE 1. Socket configurations.
AMSC N/A
1 of 11
FSC 5935
DISTRIBUTION STATEMENT A. Approved for public release; distribution is unlimited.
For Parts Inquires submit RFQ to Parts Hangar, Inc.
© Copyright 2015 Integrated Publishing, Inc.
A Service Disabled Veteran Owned Small Business