
MIL-DTL-21097/11J
Inches
mm
Inches
mm
.003
0.08
.050
1.27
.005
0.13
.055
1.40
.010
0.25
.062
1.57
.012
0.30
.070
1.78
.015
0.38
.088
2.24
.034
0.86
.106
2.69
.040
1.02
.115
2.92
.410
10.41
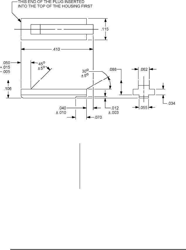
NOTES:
1. Dimensions are in inches.
2. Metric equivalents are given for information only.
3. Unless otherwise specified, tolerance is ± .005 (0.13 mm) for three place decimals.
4. Polarizing key is for use with connectors in accordance with MIL-DTL-21097/13.
5. Material: Polyamide, class I, ASTM D4066; FED-STD-595, color 23690, or natural (clear).
FIGURE 2. Polarizing key, Part or Identification Number (PIN). M21097/11-07, for type CR connectors.
3
For Parts Inquires submit RFQ to Parts Hangar, Inc.
© Copyright 2015 Integrated Publishing, Inc.
A Service Disabled Veteran Owned Small Business