
INCH-POUND
MIL-DTL-21097/13C
18 August 2005
SUPERSEDING
MIL-C-21097/13B
14 July 1970
DETAIL SPECIFICATION SHEET
CONNECTORS, ELECTRICAL, PRINTED WIRING BOARD
COMPOSITE, RECEPTACLE, CONTACT SPACING: 0.200, ALTERNATE DUAL ROW,
TYPE CR, REMOVABLE CONTACT
This specification is approved for use by all Departments and Agencies of the Department of Defense.
The requirements for acquiring the product described herein shall consist of this specification sheet and
MIL-DTL-21097.
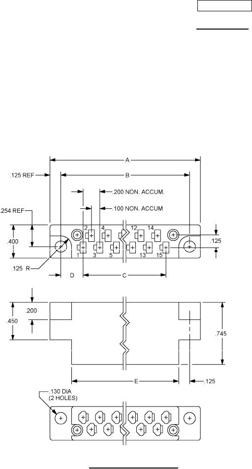
FIGURE 1. Type CR dual row contacts.
AMSC N/A
FSC 5935
For Parts Inquires submit RFQ to Parts Hangar, Inc.
© Copyright 2015 Integrated Publishing, Inc.
A Service Disabled Veteran Owned Small Business