
INCH-POUND
MIL-DTL-21097/16F
18 August 2005
SUPERSEDING
MIL-C-21097/16E
14 January 1986
DETAIL SPECIFICATION SHEET
CONNECTORS, ELECTRICAL, PRINTED WIRING BOARD
CONTACT, CRIMP, REMOVABLE, TYPE CR
This specification is approved for use by all Departments and Agencies of the Department of Defense.
The requirements for acquiring the product described herein shall consist of this specification sheet and
MIL-DTL-21097.
Inches
mm
.010
.25
.012
.30
.015
.38
.060
1.52
.100
2.54
.310
7.87
.620
15.75
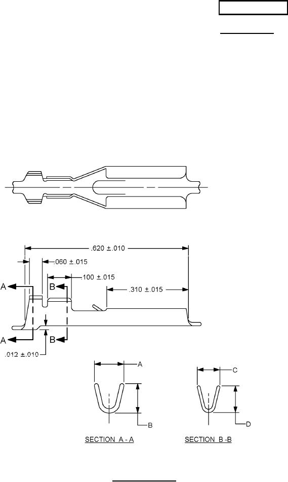
FIGURE 1. Crimp type contact.
AMSC N/A
FSC 5935
For Parts Inquires submit RFQ to Parts Hangar, Inc.
© Copyright 2015 Integrated Publishing, Inc.
A Service Disabled Veteran Owned Small Business