
INCH-POUND
MIL-DTL-21097/19D
18 August 2005
SUPERSEDING
MIL-C-21097/19C
10 October 1972
DETAIL SPECIFICATION SHEET
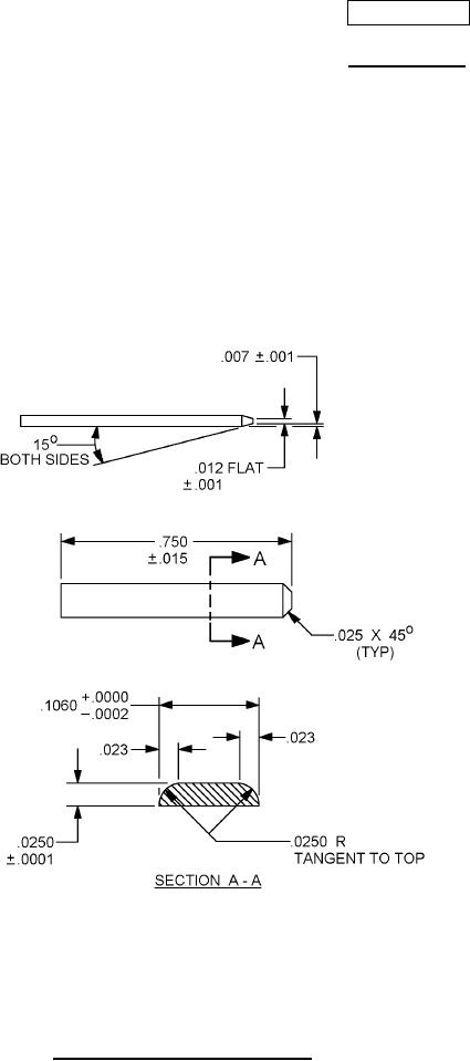
CONNECTORS, ELECTRICAL, PRINTED WIRING BOARD
BLADE SIMULATOR FOR MEASURING ENGAGEMENT AND SEPARATION
FORCES FOR TYPE CR CONTACTS
This specification is approved for use by all Departments and Agencies of the Department of Defense.
The requirements for acquiring the product described herein shall consist of this specification sheet and
MIL-DTL-21097.
Inches
mm
.0001
.002
.0002
.005
.001
.03
.007
.18
.012
.30
.015
.38
.023
.58
.025
.64
.1060
2.692
.750
19.05
NOTES:
1. Dimensions are in inches.
2. Unless otherwise specified, tolerance is ± .005 (.13 mm) for three place decimals.
3. Metric equivalents are given for information only.
FIGURE 1. Blade simulator for type C contacts.
AMSC N/A
FSC 5935
For Parts Inquires submit RFQ to Parts Hangar, Inc.
© Copyright 2015 Integrated Publishing, Inc.
A Service Disabled Veteran Owned Small Business