
MIL-DTL-21097/2F
Inches
mm
Inches
mm
.001
0.03
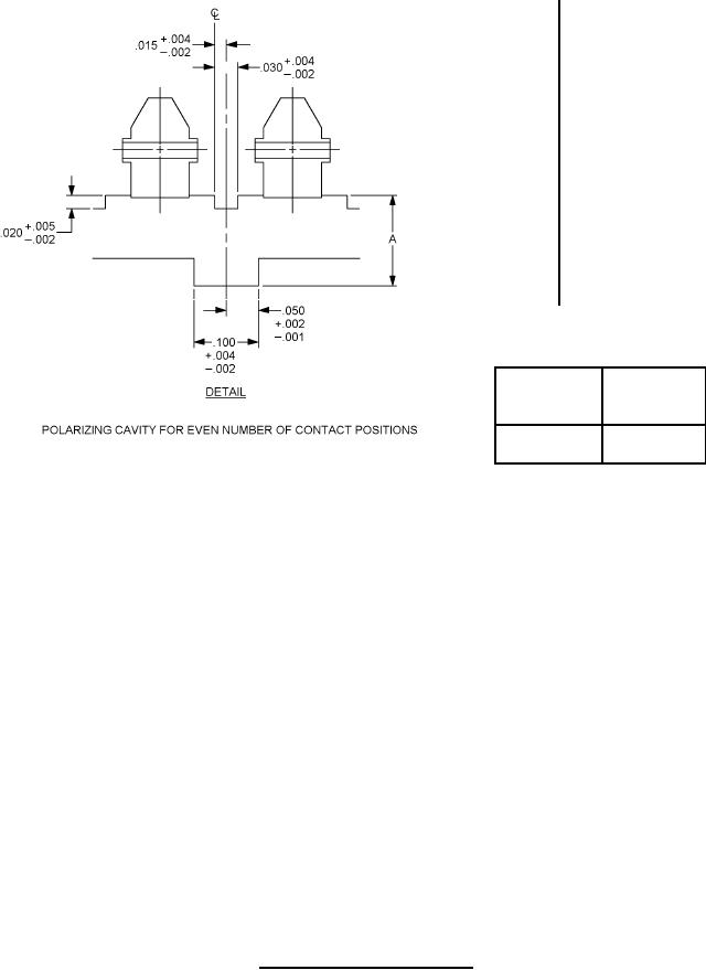
.100
2.54
.002
0.05
.128
3.25
.003
0.08
.135
3.43
.004
0.10
.137
3.48
.005
0.13
.140
3.56
.015
0.38
.172
4.37
.020
0.51
.200
5.08
.026
0.66
.205
5.21
.030
0.76
.250
6.35
.040
1.02
.313
7.95
.044
1.12
.326
8.28
.050
1.27
.334
8.48
.056
1.42
.340
8.64
.088
2.24
.453
11.51
.098
2.49
.737
18.72
Board guide
A dim
+ .002 (.05)
- .004 (.10)
.06 (1.52)
.119 (3.02)
.09 (2.29)
.150 (3.81)
NOTES:
1. Dimensions are in inches.
2. Unless otherwise specified, tolerance is ± .010 (.25 mm) for three place decimals.
3. Contacts and terminals shall be designated on the connector using numerals in the locations
shown.
4. The shape of the barriers is optional except that barriers shall not protrude beyond the plane of the
underside of the mounting flange.
5. Slot shall accept the following thickness printed wiring boards:
Size 2 - .054 (1.37 mm) to .071 (1.80 mm)
Size 3 - .086 (2.18 mm) to .103 (2.62 mm)
Slot shall prevent entry of printed wiring board having the following thickness:
Size 2 - .084 (2.13 mm)
Size 3 - .113 (2.87 mm)
6. Metric equivalents are given for information only.
7. Millimeters are in parentheses.
FIGURE 1. Single row contacts, type CR Continued.
2
For Parts Inquires submit RFQ to Parts Hangar, Inc.
© Copyright 2015 Integrated Publishing, Inc.
A Service Disabled Veteran Owned Small Business