
INCH-POUND
MIL-DTL-21097/21C
7 April 2010
SUPERSEDING
MIL-DTL-21097/21B
18 August 2005
DETAIL SPECIFICATION SHEET
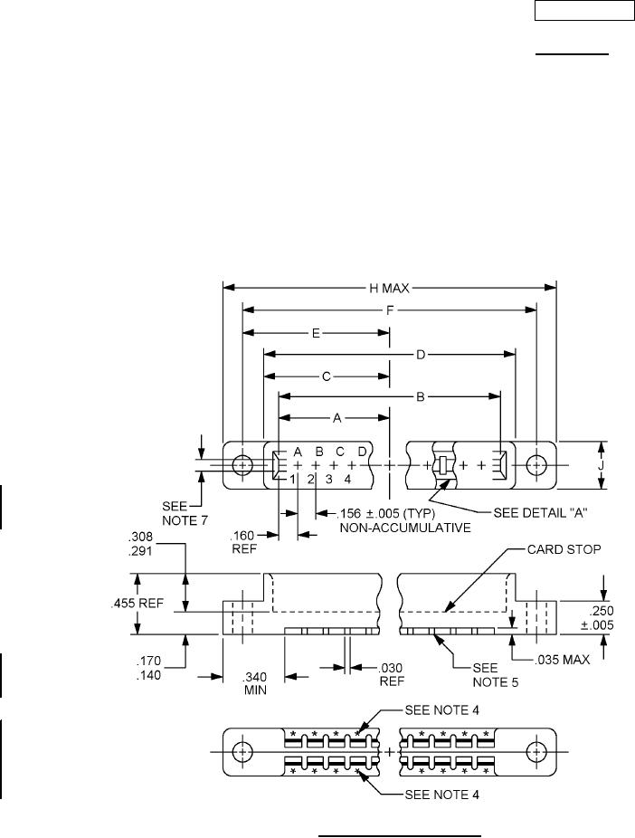
CONNECTORS, ELECTRICAL, PRINTED WIRING BOARD
RECEPTACLE, CARD INSERTION, CONTACT SPACING (.156), TYPES A AND AD
This specification is approved for use by all Departments and Agencies of the Department of Defense.
The requirements for acquiring the product described herein shall consist of this specification sheet and
MIL-DTL-21097.
FIGURE 1. Type A and AD connectors.
AMSC N/A
FSC 5935
For Parts Inquires submit RFQ to Parts Hangar, Inc.
© Copyright 2015 Integrated Publishing, Inc.
A Service Disabled Veteran Owned Small Business