
MIL-DTL-21617B
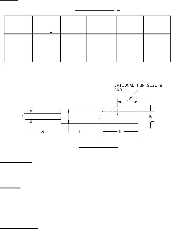
3.5.2 Contacts. Contact dimensions shall conform to table II and shall be as shown on figure 1.
TABLE II. Contact dimensions. 1/
A ±.001
Contact size
B
C
D
E
minimum
maximum
minimum
minimum
(0.025)
(mm)
(mm)
(mm)
(mm)
(mm)
20
.040 (1.02)
.043 (1.09)
.090 (2.29)
.070 (1.78)
.093 (2.36)
16
.0625 (1.59)
.065 (1.65)
.127 (3.23)
.078 (1.98)
.125 (3.17)
12
.094 (2.39)
.112 (2.84)
.190 (4.83)
.156 (3.96)
.375 (9.52)
8
.142 (3.61)
.207 (5.26)
.300 (7.62)
.250 (6.35)
.312 (7.92)
4
.225 (5.71)
.262 (6.65)
.441 (11.20)
.312 (7.92)
.312 (7.92)
1/ All dimensions are after plating.
FIGURE 1. Contact dimensions.
3.5.3 Contact material. Contacts shall be made from copper alloy material and shall be gold plated in
accordance with ASTM B488, type II, code C, class 1.27 (50 microinches) minimum, over a nickel
underplate 50 to 150 microinches (1.27 µm to 3.81 µm) thick, in accordance with SAE-AMS-QQ-N-290.
Silver shall not be used as an underplate.
3.5.4 Terminals. The interior surfaces of the solder cups of the contacts shall be either gold flash or
tin/lead, the following details shall apply:
a. Gold flash, over a nickel underplate 50 to 150 microinches (1.27 µm to 3.81 µm) thick, in
accordance with SAE-AMS-QQ-N-290.
b. Tin/lead in accordance with SAE-AMS-P-81728.
3.5.5 Tinning solder cups. Where pretinned solder cups are required, the interior surface of solder
cups shall be completely tinned over 100 percent of the full circle portion and for at least 50 percent of the
remainder of the solder well area with solder conforming to composition Sn60 of J-STD-006. Only fluxes
meeting J-STD-004, shall be used, any excess of which shall be removed. Solder cup terminals shall be
so constructed that liquid solder cannot leak through to the front of the socket and prevent insertion of the
pin. No excess solder shall be on the exterior of the solder cup.
6
For Parts Inquires submit RFQ to Parts Hangar, Inc.
© Copyright 2015 Integrated Publishing, Inc.
A Service Disabled Veteran Owned Small Business