
MIL-DTL-24231/10E(SH)
C
L
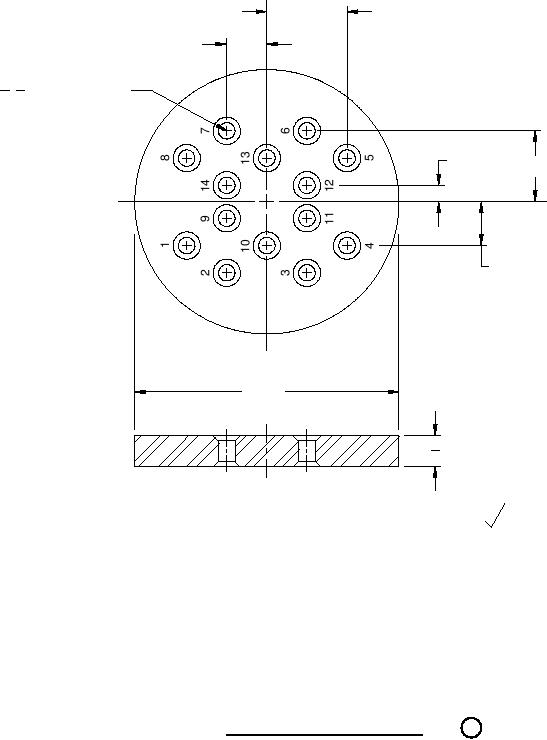
0.471(TYP)
0.461
0.238(TYP)
0.228
Ø674, 31 x 45 BEVEL BOTH
2
SIDES. 14 HOLES.
0.140(TYP) 0.410
0.400(TYP)
0.130
C
L
0.275(TYP)
0.265
Ø1.614
1.604
3
16
63
FIGURE 13. Plate, retainer M24231/10-061.
19
16
For Parts Inquires submit RFQ to Parts Hangar, Inc.
© Copyright 2015 Integrated Publishing, Inc.
A Service Disabled Veteran Owned Small Business