
MIL-DTL-24231/25E(SH)
1
M24231/25-001
M24231/25-002
2
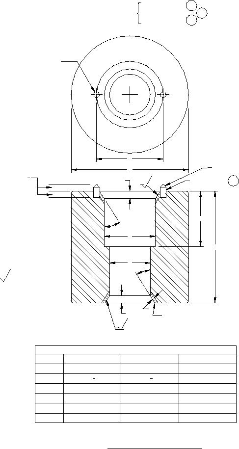
ASSEMBLY HULL INSERTS
3
M24231/25-003
HOLE DRILLED
TO SUIT PIN
A
1
X 45° CHAMFER
B
16
1
4
0.270
4
PIN, DOWEL
63
F
45°
C
E
D
ALL OVER
125
45°
EXCEPT
AS SHOWN
1
8
0.270
GASKET SEAT INSERT WELD OF
NICKEL-COPPER (BOTH ENDS)
63
TABLE OF DIMENSIONS
M24231/25-001
M24231/25-002
M24231/25-003
2.750
3.375
4.500
A
1
43
52
6
B-DIA
4
C-DIA
2.020
2.645
3.625
1.770
2.395
3.270
D-DIA
4.500
5.000
4.750
E
2.500
2.250
1.750
F
FIGURE 1. Connector, hull inserts typical.
2