
MIL-DTL-24231/3E(SH)
125 ALL OVER EXCEPT
AS SHOWN.
2-12UN-2A
0.812
1
4
1
5
16R
DRILL THRU.
16
30°
Ø1.617
1.613
Ø1.405 Ø1.204
Ø2
1
16
32
32
10
1
DISK, INSULATING,
1
8
2
Ø1.219 X 11 THK
3
6
16
(PRESS FIT)
M24231/3-021
0.500
0.437
119
6
+0.001
0.051R -0.001
0.602
8
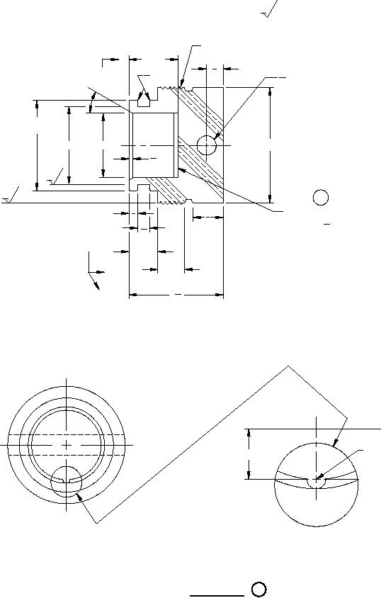
FIGURE 2. Sealing plug.
3
For Parts Inquires submit RFQ to Parts Hangar, Inc.
© Copyright 2015 Integrated Publishing, Inc.
A Service Disabled Veteran Owned Small Business