
MIL-DTL-24231/8E(SH)
C
L
0.238 (TYP)
0.228
0.140
0.130
C
L
0.275
0.265
1.178
Ø1.168
Ø15
PIN, CONTACT 26
16
1
13+32
0.058
1
32 1
0.048
16
-32
1
3
3
32R
16
8
1
4
1
1.505
4
1.495
MOLDED EPOXY RESIN
5
1
4
15 FEET
CABLE
27 28 29
0.967
Ø 0.963
0.060 R
0.050
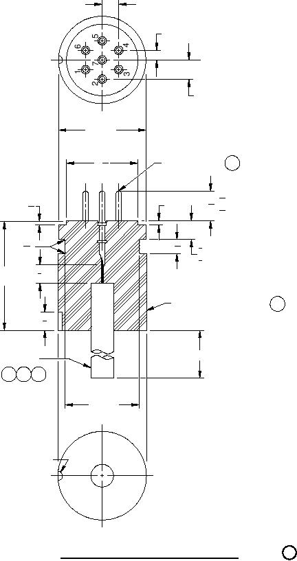
FIGURE 4. Assembly, insert, molded M24231/8-010.
30
5
For Parts Inquires submit RFQ to Parts Hangar, Inc.
© Copyright 2015 Integrated Publishing, Inc.
A Service Disabled Veteran Owned Small Business