
INCH-POUND
MIL-DTL-24308/25K
1 August 2008
SUPERSEDING
MIL-DTL-24308/25J
13 January 2006
DETAIL SPECIFICATION SHEET
CONNECTORS, ELECTRIC, RECTANGULAR,
MINIATURE, POLARIZED SHELL, RACK AND
PANEL, SCREW-LOCK ASSEMBLY, MALE
This specification is approved for use by all Departments and Agencies of the Department of Defense.
The requirements for acquiring the product described herein shall consist of this specification sheet and
MIL-DTL-24308.
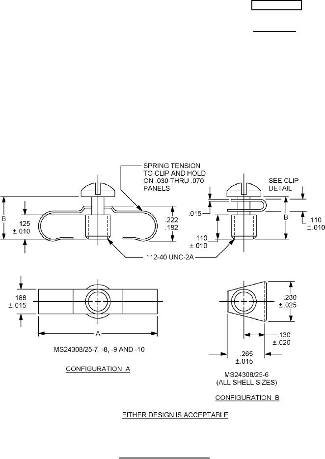
FIGURE 1. Dimensions and configurations.
AMSC N/A
FSC 5935
For Parts Inquires submit RFQ to Parts Hangar, Inc.
© Copyright 2015 Integrated Publishing, Inc.
A Service Disabled Veteran Owned Small Business