
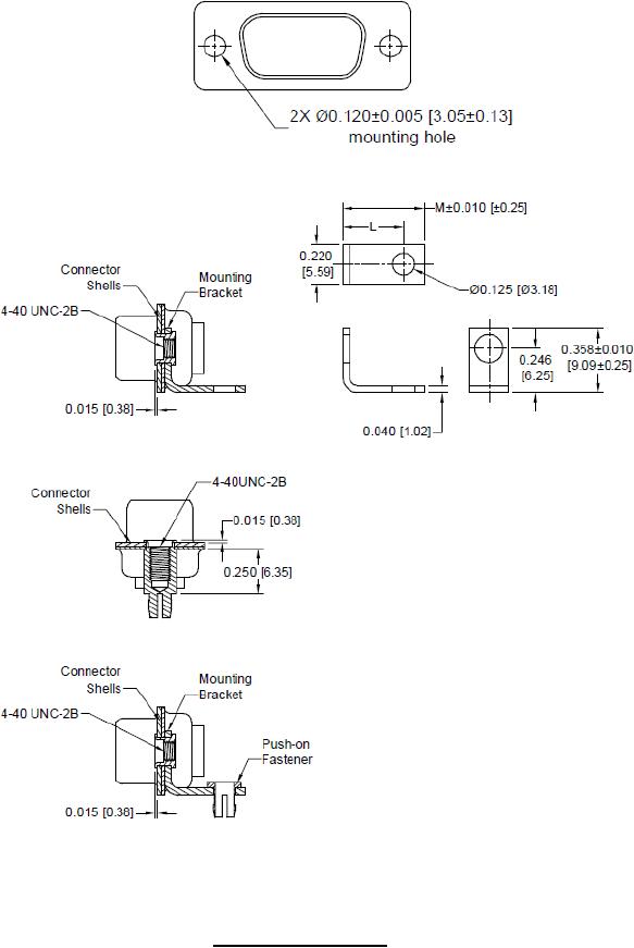
MIL-DTL-24308/36
Configuration A:
Ø .120 (3.05 mm) mounting hole,
straight termination connectors
Configuration B and C:
Mounting bracket and threaded rivet,
right angle termination connectors
Confiourfitionration D:
Cg n agu D:
Swagedgedcspacterpwsh on fahtoner
Swa spa er wi h uith pus s en
Straasttenrm,inatiaighoneemination
figh teer str on c t tnr ctors
connectors
Configuration E and F:
Mounting bracket and threaded rivet with
push on fastener, right angle termination connectors
FIGURE 5. Mounting configurations.
16
For Parts Inquires submit RFQ to Parts Hangar, Inc.
© Copyright 2015 Integrated Publishing, Inc.
A Service Disabled Veteran Owned Small Business