
MIL-DTL-24308/37
NOTES:
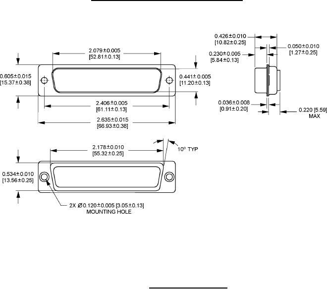
1. Dimensions are in inches.
2. Metric equivalents are given for information only.
3. Unless otherwise specified, tolerance for three place decimals is ±.005 inch (0.13 mm).
4. All dimensions are true position (TP).
5. Contact holes in insert shall be located on TP within a .005 inch (0.13 mm) diameter circle.
6. Reference documents shall be of the issue in effect on date of invitations for bid.
FIGURE 1. Insert arrangements, shell size 5, pin contacts Continued.
FIGURE 2. Dimensions shell size 4.
2
For Parts Inquires submit RFQ to Parts Hangar, Inc.
© Copyright 2015 Integrated Publishing, Inc.
A Service Disabled Veteran Owned Small Business