
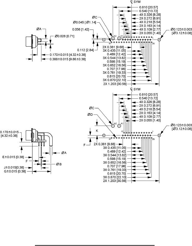
MIL-DTL-24308/38
M24308/38-201, -202, -207, -208
M24308/38-203, -204, -205, -206, -209, -210, -211, -212
43W2
FIGURE 3. Terminations and layout arrangement for power connector - Continued.
5
For Parts Inquires submit RFQ to Parts Hangar, Inc.
© Copyright 2015 Integrated Publishing, Inc.
A Service Disabled Veteran Owned Small Business