
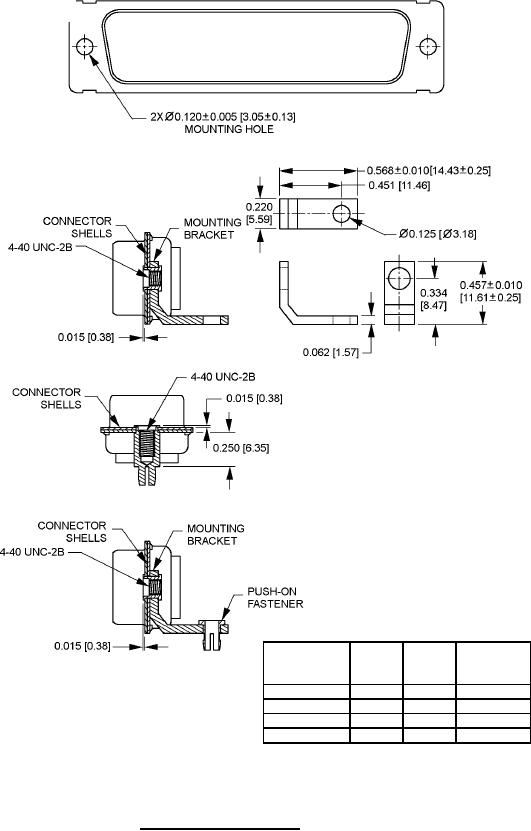
MIL-DTL-24308/40
Configuration A:
Ø .120 (3.05 mm) mounting hole,
straight termination connectors
Configuration B and C:
Mounting bracket and threaded rivet,
right angle termination connectors
Configuration D:
Swaged spacer with
push on fastener
Configuration E and F:
Mounting bracket and threaded
rivet with push on fastener,
right angle termination connectors
Mounting
Mounting
bracket
L
M
type
configuration
B
0.395
0.512
0.125 hole
C
0.470
0.587
0.125 hole
E
0.395
0.512
Fastener
NOTES:
F
0.470
0.587
Fastener
1. Dimensions are in inches.
2. Metric equivalents are given for information only.
3. Unless otherwise specified, tolerance for three place decimals is ±.005 inch (0.13 mm).
FIGURE 4. Mounting configurations.
4
For Parts Inquires submit RFQ to Parts Hangar, Inc.
© Copyright 2015 Integrated Publishing, Inc.
A Service Disabled Veteran Owned Small Business