
INCH-POUND
MIL-DTL-24308/9H
25 June 2007
SUPERSEDING
MIL-DTL-24308/9G
19 July 2000
DETAIL SPECIFICATION SHEET
CONNECTORS, ELECTRIC, RECTANGULAR, MINIATURE,
POLARIZED SHELL, RACK AND PANEL,
PLUG, PIN CONTACTS, HERMETIC, CLASSES H AND K
This specification is approved for use by all Departments and Agencies of the Department of Defense.
The requirements for acquiring the product described herein shall consist of this specification sheet and
MIL-DTL-24308.
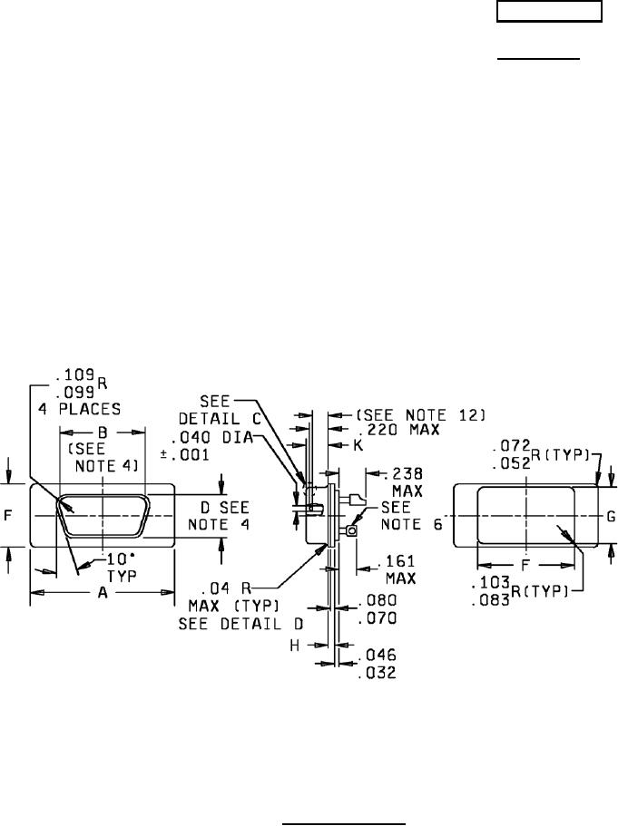
DETAIL A
Part or Identifying Number (PIN)
M24308/9-1 through 10
FIGURE 1. Shell, plug, hermetic.
AMSC N/A
FSC 5935
For Parts Inquires submit RFQ to Parts Hangar, Inc.
© Copyright 2015 Integrated Publishing, Inc.
A Service Disabled Veteran Owned Small Business