
MIL-DTL-25516F
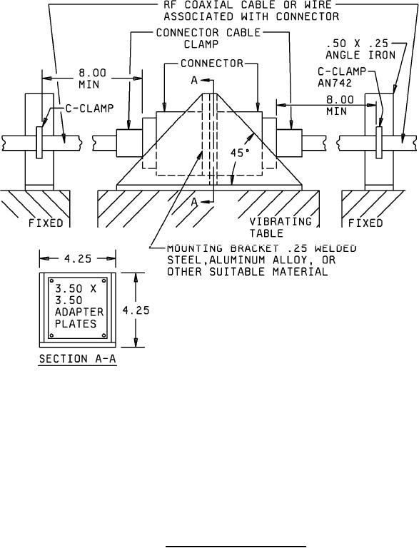
Inches
mm
.25
6.3
.50
12.7
3.50
88.9
4.25
108.0
8.00
203.2
NOTES:
1. Dimensions are in inches.
2. Metric equivalents are given for general information only.
FIGURE 3. Vibration testing arrangement.
22
For Parts Inquires submit RFQ to Parts Hangar, Inc.
© Copyright 2015 Integrated Publishing, Inc.
A Service Disabled Veteran Owned Small Business