
MIL-DTL-2726/14C
Inches
mm
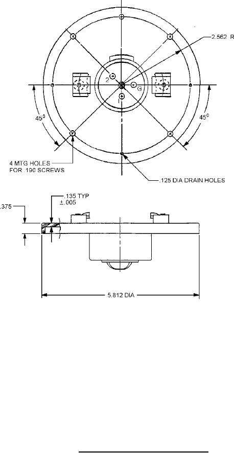
.125
3.17
.135
3.43
.190
4.83
.357
9.52
2.562
65.07
5.812
147.62
NOTES:
1. Dimensions are in inches.
2. Metric equivalents are given for information only.
3. Unless otherwise specified, tolerances are ± .016 (0.41mm) and ± .5° degree on angles.
4. Molded plastic receptacle (SAME AS FIGURE 1 EXCEPT AS SHOWN).
FIGURE 2. Cover and receptacle integral (plastic).
4
For Parts Inquires submit RFQ to Parts Hangar, Inc.
© Copyright 2015 Integrated Publishing, Inc.
A Service Disabled Veteran Owned Small Business