
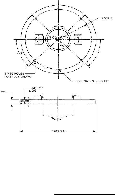
MIL-DTL-2726/17C
Inches
mm
.125
3.17
.135
3.43
.190
4.83
.375
9.52
2.562
65.07
5.188
131.77
NOTES:
1. Dimensions are in inches.
2. Metric equivalents are given for information only.
3. Unless otherwise specified, tolerances are ± .016 (0.41mm) and ± .5° on angles.
FIGURE 2. Cover and receptacle integral (plastic).
3