
MIL-DTL-2726/23B
NOTES:
1. Dimensions are in inches.
2. Metric equivalents are given for information only.
3. PIN: M2726/23-002 unless otherwise specified, tolerances are ± .016 (0.41mm).
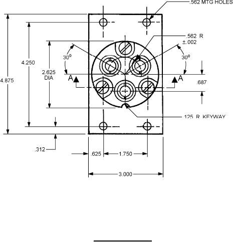
FIGURE 2. Receptacle fitting - Continued.
REQUIREMENTS
Dimensions and configurations: See figures 1 and 2.
Effectiveness of enclosure: Watertight in accordance with MIL-STD-108.
Contact hardness: Minimum of Rockwell 60B.
Mating plug: MIL-DTL-2726/46, PIN: M2726/46-001.
Gasket: Rubber in accordance with MIL-PRF-900.
O-RING: As specified in SAE-AS28775.
Cap: Brass.
Enclosure assembly: Steel.
Base: In accordance with MIL-I-24768/1 type GME.
Insulation block: In accordance with ASTM-D5948 type MAI-60.
3
For Parts Inquires submit RFQ to Parts Hangar, Inc.
© Copyright 2015 Integrated Publishing, Inc.
A Service Disabled Veteran Owned Small Business