
MIL-DTL-2726/24C
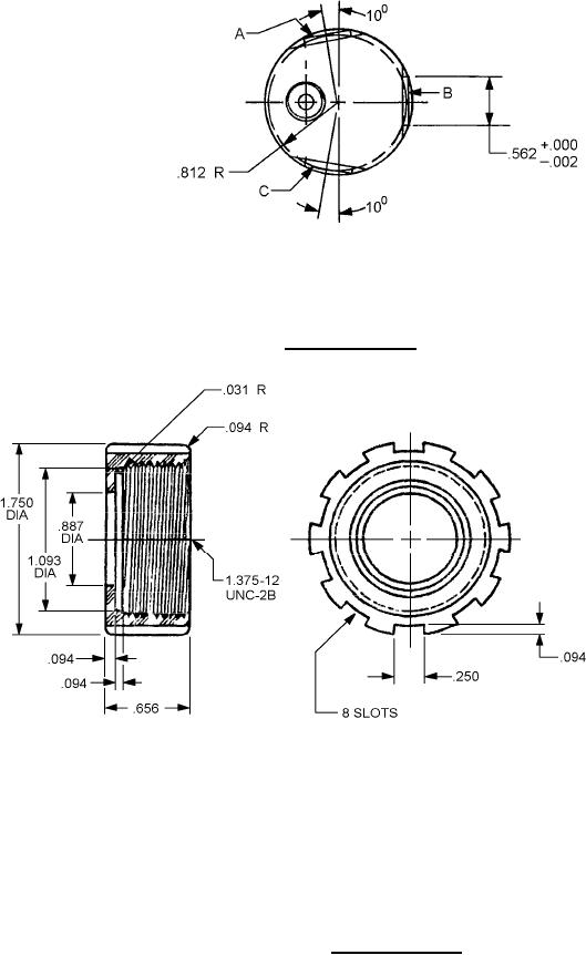
NOTES:
1. Dimensions are in inches.
2. Metric equivalents are given for information only.
3. Unless otherwise specified, tolerances are ± .016 (0.41mm) and ± .5° on angles.
FIGURE 2. Plug tip assembly - Continued.
Inches
mm
0.79
.031
2.39
.094
6.35
.250
16.66
.656
.887
22.53
1.093
27.76
1.357
34.92
1.750
44.45
NOTES:
1. Dimensions are in inches.
2. Metric equivalents are given for information only.
3. Unless otherwise specified, tolerances are ± .010 (0.25mm) per linear inch, whichever is
greater.
4. Angular dimensions are ± 0°30'.
5. Tube size 4T.
6. Marking PIN: M19622/3-004.
FIGURE 3. Stuffing tube, cap.
4
For Parts Inquires submit RFQ to Parts Hangar, Inc.
© Copyright 2015 Integrated Publishing, Inc.
A Service Disabled Veteran Owned Small Business