
MIL-DTL-2726/26D
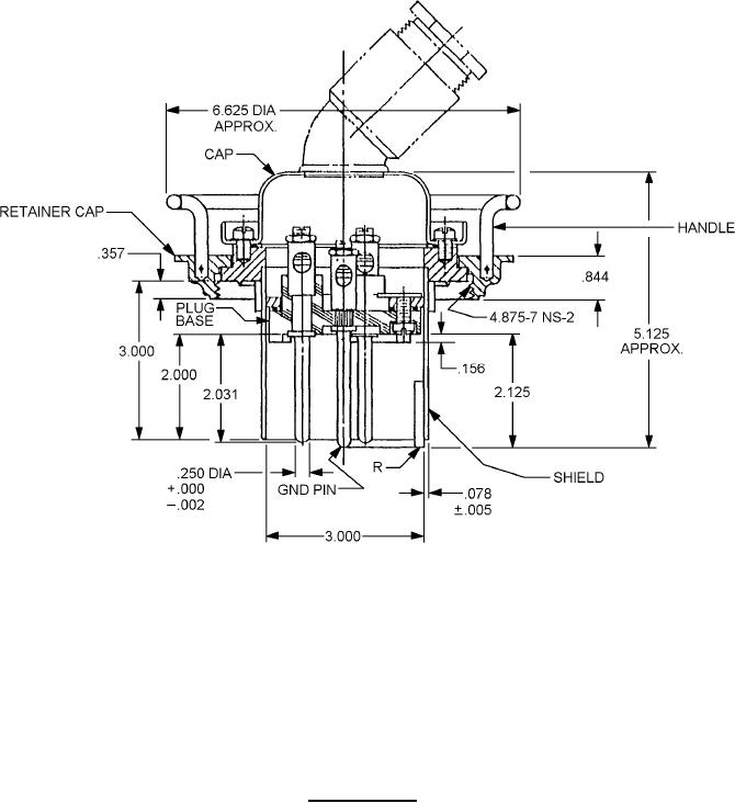
NOTES:
1. Dimensions are in inches.
2. Metric equivalents are given for information only.
3. Unless otherwise specified, tolerances are ± .016 (0.41mm) and ± .5° on angle.
4. Supersedes: Drawing 9000-S6202-S6202-73942, symbol 728.
FIGURE 1. Plug assembly - Continued.
2
For Parts Inquires submit RFQ to Parts Hangar, Inc.
© Copyright 2015 Integrated Publishing, Inc.
A Service Disabled Veteran Owned Small Business