
INCH-POUND
MIL-DTL-2726/31B
01 November 2006
SUPERSEDING
MIL-R-2726/31A(SH)
3 July 1986
DETAIL SPECIFICATION SHEET
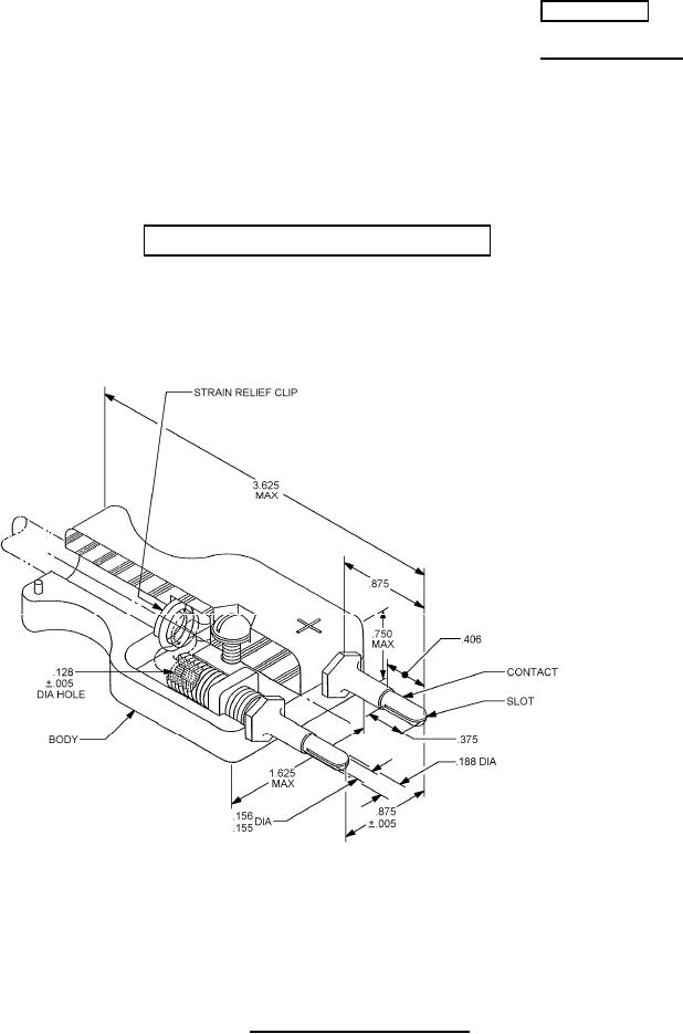
RECEPTACLE, PLUG, ELECTRICAL 10 - AMPERE, 125 - VOLT,
DOUBLE POLE, MALE (SYMBOL NO. 729.1)
Inactive for new design after 28 June 1999.
This specification is approved for use by all Departments
and Agencies of the Department of Defense.
The requirements for acquiring the product described herein shall consist of this
specification sheet and MIL-DTL-2726.
Inches
mm
0.13
.005
3.25
.128
3.94
.155
3.96
.156
4.77
.188
9.52
.357
10.31
.406
19.05
.750
22.22
.875
41.27
1.625
92.07
3.625
NOTES:
1. Dimensions are in inches.
2. Metric equivalents are given for information only.
3. Unless otherwise specified, tolerances are ± .016 (0.41mm).
4. Supersedes: Drawing 9000-S6202-73481, symbol 729.
FIGURE 1. Dimensions and configuration.
AMSC N/A
FSC 5935
For Parts Inquires submit RFQ to Parts Hangar, Inc.
© Copyright 2015 Integrated Publishing, Inc.
A Service Disabled Veteran Owned Small Business