
INCH-POUND
MIL-DTL-2726/35C
01 November 2006
SUPERSEDING
MIL-R-2726/35B(SH)
3 July 1986
DETAIL SPECIFICATION SHEET
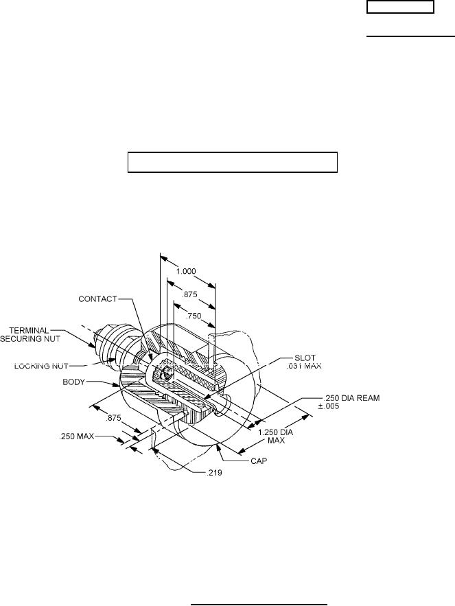
RECEPTACLE, ELECTRICAL, 40 - AMPERE, 125 - VOLT
SINGLE POLE, PANEL MOUNTED, FEMALE
(SYMBOL NO. 1213.2 - RED; SYMBOL NO. 1213.4 - BLACK)
Inactive for new design after 28 June 1999.
This specification is approved for use by all Departments
and Agencies of the Department of Defense.
The requirements for acquiring the product described herein shall consist of this
specification sheet and MIL-DTL-2726.
Inches
mm
.005
0.13
.031
0.79
5.56
.219
.250
6.35
.750
19.05
.875
22.22
1.000
25.40
1.250
31.75
NOTES:
1. Dimensions are in inches.
2. Metric equivalents are given for information only.
3. Unless otherwise specified, tolerances are ± .016 (0.41mm).
4. Supersedes: Drawing 9000-S6202-73338, symbol 1213.
FIGURE 1. Dimensions and configuration.
AMSC N/A
FSC 5935
For Parts Inquires submit RFQ to Parts Hangar, Inc.
© Copyright 2015 Integrated Publishing, Inc.
A Service Disabled Veteran Owned Small Business