
INCH-POUND
MIL-DTL-2726/39B
20 October 2006
SUPERSEDING
MIL-R-2726/39A(SH)
30 June 1967
DETAIL SPECIFICATION SHEET
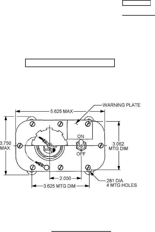
RECEPTACLE AND SWITCH, ELECTRICAL, 15 - AMPERE, 125 - VOLT,
BLADED TYPE, GROUNDED (SYMBOL NO. 919)
Inactive for new design after 28 June 1999.
This specification is approved for use by all Departments
and Agencies of the Department of Defense.
The requirements for acquiring the product described herein shall consist of this
specification sheet and MIL-DTL-2726.
FIGURE 1. Dimensions and configurations.
AMSC N/A
FSC 5935