
INCH-POUND
MIL-DTL-2726/47B
10 January 2003
SUPERSEDING
MIL-R-2726/47A(SH)
3 July 1986
DETAIL SPECIFICATION SHEET
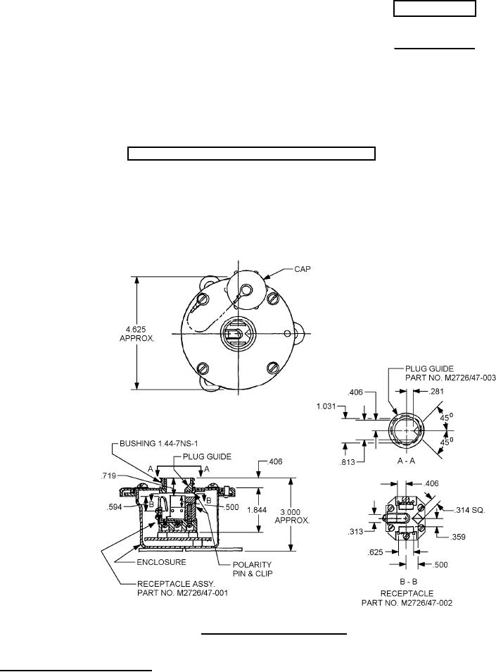
RECEPTACLE, ELECTRICAL, ENCLOSED, 15-AMPERE, 125-VOLT,
2-POLE, GROUNDED (SYMBOL NO. 735.3)
Inactive for new design after 26 December 1990
This specification is approved for use by all Departments
and Agencies of the Department of Defense.
The requirements for acquiring the product described herein
shall consist of this specification and MIL-R-2726.
FIGURE 1. Dimensions and configurations.
AMSC N/A
1 of 4
FSC 5935
DISTRIBUTION STATEMENT A. Approved for public release; distribution is unlimited.